![]()
=================================================================================
@
2003/08/28(22:32:02)[題]:hp 200LX 用 128MB メモリー増設基板 2006/01/22:追記基板配布の終了
---------------------------------------------------------------------------------
◆ 128MB 増設基板を作ってみました。 手配線
128MB とほぼ同じ回路で、特に問題なく動作しています。
【プロローグ】
丁度5年前、Thaddeus Computing (Times 2Tech) で 64MB Upgrade が開始されました。
Nifty FHPPC 9番会議室でも LX のメモリー最大容量を目指した話題がはじまり、意見交換や論議が交わされて出来るところから具現化、実証さ
れて行きました。
そして4年前(1999)、遂に世界初であろう 128MB
な LX が誕生し、その後共同購入の検討話題もありましたが、DRAM
がネックで以降話題に昇ら
なくなりました。
当時はまだ DRAM も高価で特別なルートがない限り入手も難しく、
また 32MB 以上を認識させるには対応したデバイスドライバーを作る必要が
あり、 とても普通の人には手を出せない状況でした。
私も消費電流が増えるし、まして回路も解らないしで指をくわえて見ているだけでした。(笑)
また LX で 128MB 化が可能なのだ、と云う事実が判っただけで満足していました。また同時に
128MB まで増設可能な CPU を採用した、 先見
性ある HP(コバリス) 技術陣に改めて感心させられました。
2年くらい前から高容量 DRAM も割と入手できるようになりましたが、
それでもチップ単体で1万円程度でした。
その後バルク基板から DRAM を剥がして使えば単体で2千円弱なので、
この方法が主流になってきました。
また昨年メモリー増設ドライバー(Times 2Tech)も公開され、個人で使う分には問題ないようです。
今年の2月、或方のメールがきっかけで CAD
って一体どんな物なんだろう、とチマチマ調べ始めました。
で、ドイツの EAGLE CAD に出会って 128MB 基板を作りはじめましたが、
はたして業者が請け負ってくれるかも分からないので手始めに
64MB
基板を作り、 要領も解ったところで目的の 128MB
基板を作ることができました。
途中 FHPPC PJ128M が始動し始めたので基板設計で終わらすつもりでしたが、
本当に希望通りに動作するか知りたくなって少量を作ってしまい
ました。(笑)
最近はプリント基板自体も、 簡単な試作基板数枚でも安価に請け負ってくれる業者もあり、電気
CAD も制限付きながらフリーで使えるソフトもあ
ります。
私のチョンボでジャンパ配線が1本増えたことはご愛嬌と云うことで、一応満足しています。
(^^;;
【概要】
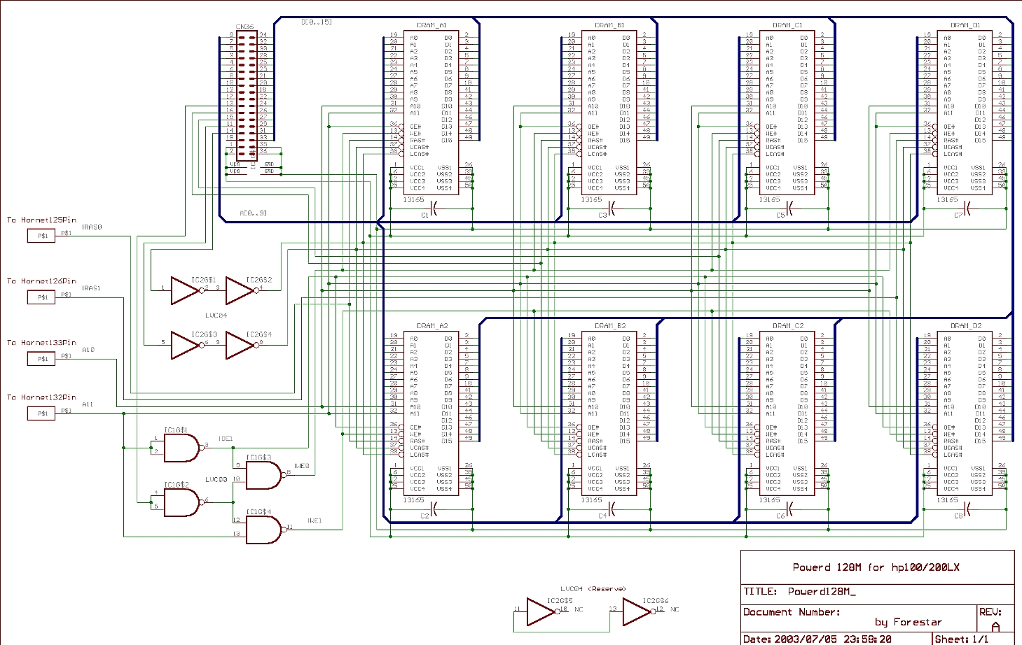
◆ 回路図、基板図とも EAGLE CAD を使い、製作は業者へ依頼しました。

Side A Side
B
◆ DRAM 2個づつのペアで実装個数に応じて 32,64,96,128MB の容量で増設できます。
C ドライブが 32MB になり、 それ以上の容量は増設ドライバーを組み込むことにより
F ドライブとして認識されます。

128MB 実装画像
◆ 配線板の Side A側に2個 DRAM を乗せれば
32MB 、 同じ面に4個で 64MB。 裏面の Side
Bにも2個 DRAM を乗せて 96MB、 更に2個乗せ
れば LX では最大容量の 128MB になります。倍速動作を目標にしていますが、保証はできません。
◆ 部品は DRAM (13165) と NAND ロジック IC (ALVC00PW)、INVERT ロジック IC(ALVC04PW) にパスコン (104)、それと 36 ピンコネクタ
です。
◆ 新旧 200LX 用の配線板ですが、100LX でもマザー基板のタンタルコンデンサと
DRAM が干渉する場合もあるので、移動等すれば 100LX で
も 最大容量 96.5MB で使えます。ただし増設ドライバは古いバージョン(Ver1.0)が必要のようです。
【メリット・デメリット】
<メリット>
◆ A ドライブ運用から余裕のC、或いは F
ドライブ運用に変更できます。
◆ 副次的に A ドライブへのアクセス頻度も減るので、大容量の割に省電力が期待できます。
◆ 通信や GPS 等のPCカードを入れたままの運用でも、データは余裕で保存できます。
◆ &...?
<デメリット>
◆ 容量を増やせば DRAM 枚数が多くなるので、
電池の保ちは確実に悪くなります。
◆ これまで使えていたソフトが使用できないソフトがあるかも知れません。
◆ 改造過程で LX が壊れてしまうトラブルが起こるかも知れません。(事故責任)
◆ 本来の LX 使用寿命からは確実に余命は短くなると思います。(とは云え
128MB 化された方で4年以上問題なく動作しているのも事実です)
と云うことで、 必要性を感じていない方は敢えてメモリー増設する必要はないと思います。
【結果】(参考)
◆ 下表の動作時間は、改造前後の比較をするために
BATTSIM を使いました。通常の使い方であれば動作時間はもっと長いです。
◆ 容量を変えても動作時間が殆同じなのは?。
(?_?)
┏━━━━━━━┳━━━━━┳━━━━━┳━━━━━┓
┃ hp 100/200LX ┃サスペンド┃動作時間Hr┃ 備 考 ┃
┃ 倍速 動作結果┃電流 (mA) ┃ BATTSIM ┃ ┃
┣━━━━━━━╋━━━━━╋━━━━━╋━━━━━┫
┃新 200LX 2MB ┃ 0.36 ┃ 19.2 ┃ ノミナル ┃
┃新 200LX 32MB ┃ 1.30 ┃ 07.4 ┃ ┃
┃新 200LX 64MB ┃ 2.51 ┃ 07.6 ┃ ┃
┃新 200LX 96MB ┃ 3.34 ┃ 07.5 ┃ ┃
┃新 200LX128MB ┃ 4.50 ┃ 07.0 ┃ ┃
┣━━━━━━━╋━━━━━╋━━━━━╋━━━━━┫
┃旧 200LX 2MB ┃ 0.35 ┃ 21.0 ┃ ノミナル ┃
┃旧 200LX 32MB ┃ 1.35 ┃ 10.7 ┃ ┃
┃旧 200LX 64MB ┃ 2.49 ┃ 07.0 ┃ ┃
┃旧 200LX 96MB ┃ ┃ ┃ ┃
┃旧 200LX128MB ┃ 4.50 ┃ 07.0 ┃ ┃
┣━━━━━━━╋━━━━━╋━━━━━╋━━━━━┫
┃ 100LX 2MB ┃ 0.48 ┃ 18.3 ┃ ノミナル ┃
┃ 100LX 32MB ┃ ┃ ┃ ┃
┃ 100LX 64MB ┃ ┃ ┃ ┃
┃ 100LX96.5MB┃ 3.42 ┃ 10.5 ┃ ┃
┗━━━━━━━┻━━━━━┻━━━━━┻━━━━━┛・サスペンド電流は新品アルカリ乾電池 (3.1V)
使用時に測定。
・動作時間はハードウェアバイブル同梱の BATTSIM.EXE と同スクリプトを使用。(BATTSIM は電池評価を目的とした物で結構過酷なテストです)
・電池はまとめ買いの新品 GP アルカリ乾電池を使用。
・上記データの動作時間は、使うアルカリ乾電池や周囲温度により左右されます。
【感想】
◆ 手配線より格段に作業性が改善されました。
それに安心感があり手配線よりは気楽に改造できます。
(^^)
◆ 反面、見ての通り両面に DRAM を付けるので配線板が大きく厚くなるため、LX
内部に納めるにはギリギリです。
【謝辞】
回路図の基本は FHPPC 9番の #5060 からの発言ツリーを参考にさせて頂きました。この場をお借りして感謝申し上げます。
【エピローグ】
学生時代に手書きでエッチング液等を使って、
片面プリント基板を何度か作った事がありますが、やり方は忘却の彼方。(笑)
Web を参照すると両面基板でも自作方法の紹介も幾つかありましたが、
工具や材料を揃えるにもそれなりに費用が掛かるし、
まして熟練を要
する作業なので自作はスッパリ諦めました。
(^^;;
幸い最近ではホビーイストでも、ガーバーデータを渡して安価にプリント基板を作ってくれる業者も多くあるようです。
個人でプリント基板を起こすにはどうしたらいいのか、また基板設計の
CAD とはどう云う物なのか、Web で調べて行くうちに
EAGLE CAD に出会
い、これなら自分にでも使えそうだと感じて解らないながらも作り始めました。
結果的に、 今回はデジタルのメモリー基板なので特に問題なく希望通り動作するプリント基板が出来ましたが、アナログ基板では一筋縄では行
かなかったと思います。デジタルでもインピーダンスや
EMC を考慮しないと動作不良を起こすと思いますが、幸い結果オーライでした。
(^^;;
基板設計は多分に経験と知識が物を云うと思いますが、 EAGLE の自動配線だけでも結構使えることが判りました。
自動配線だと無駄と思える引き回しや、 思った通りの引き回しをしてくれない場合もありますが、最後に手修正すれば済みます。
慣れれば肝心な所だけ手配線であとは自動配線と云う手もあります。
基板作りの知識や経験があまり無い人で、 どおしても多層基板を起こしたい人にはフリー版もある
EGALE CAD はお勧めと思います。 (^^)
EAGLE の他にも Protel、WinBoard 等多数あります。
今年の「トランジスタ技術」6月号のプリント基板作りの特集記事は大変参考になると思
います。( Protel DXP お試し版の CD-ROM と操作マニュアルが別冊付録で付いていました)
-----------------------------------
以下は組立&人柱に関することです。
【組立】
![]() |
0.準備 ◆ 半田鏝(12W)、半田(0.38φ)、無洗浄フラックス、小型ニッパ、ピンセ ット、半田吸取り線(0.9mm)、ルーペ(15x)、綿棒、トルクス6番、ウレタ ン線(0.2φ)またはリード線 、カッターナイフ、彫刻刀、テープ、安全ピン 以上の工具・材料は千石電商等で揃います。 ◆ DRAM (5113165) はバルク基板(EDO128MB)を通販で入手し、8チッ プを外す。NANDゲートやパスコンは鈴商で購入しました。 ◆ FMODEM 水晶、または汎用水晶(32.00MHz)で倍速化しておく。 またLX マザー基板上の既存 DRAM を、半田吸い取り線等で取り外す。 |
![]() |
1.部品の半田付け ◆ ハウジングは鏝先で熱を加え、カッターナイフと安全ピンで破壊除去 します。 これが結構面倒だったりします。 (^^;; ◆ 配線板は半田メッキされているので、Pin ランドの予備半田は不要と 思います。DRAM の半田付けは全 Pin にフラックスを付け、四隅の Pin から半田付けするとやり易いです。また Pin の半田量は少ないよ りは、気持ち多めの方が良いようです。 ◆ Side A側の DRAM_A1の 48Pinのみを水平に伸ばして他の全 Pin を 半田付け。 DRAM_A2はそのまま全 Pin 半田付けし、48Pin と DRAM_A1の伸ば した 48Pin にジャンパ配線する。(この処理はここだけ) |
![]() |
2.RAS0 の配線 ◆ Side B側に NAND IC と INVERTER IC 各1個を半田付け。 ◆ RAS0 ランドからマザー基板上の取り除いた DRAM 跡地の |RAS0 (14Pin)に配線します。中間の端から横に数えると4番目。 |
![]() |
3.ホーネットCPUへの配線 ◆ 配線板の A10、A11 をホーネットCPU の 133、132Pin に配線する。 ◆ 隣り合った Pin なので、マスキングするか半田付け方向を変えるなり して半田ブリッジを回避します。 ◆ A10(133Pin) は基版上に、A11(132Pin) は Pin の肩に半田付けしてあ ります。RAS1(126Pin) は 128MB 化の時に配線します。(新ハード) |
![]() |
4.LX を組立なおして [ESC]+[ON] で RAM TEST
を行い、"32M OK" になることを確認します。 ◆ ビープ音が鳴り続けたり、電源 ON しても何も画面表示されなかった り、或いは RAM TEST が終わっても容量表示がおかしかったり、bad 表示された場合は、半田不良またはソケットへの挿し込み位置がず れている可能性があります。 ソケット挿し込みが正しければ半田不良です。フラックスを DRAM Pin に付けて鏝で舐めます。 あとはホーネット Pin 側の半田ブリッジが怪しいです。 ◆ RAM TEST に掛かる時間は倍速で20分です。 ◆ 以上で32MB化の完成です。 |
![]() |
5.64MB化 ◆ 32MBを確認したら、再度開腹して Side A側に DRAM_B1,B2 2個とパ スコン2個を半田付け。 ◆ あとは再組立して4と同様に RAM TEST を行い、"64MB OK"を確認し て完成。 ◆ RAM TEST に掛かる時間は倍速で40分です。 |
![]() |
6.96MB化 ◆ 64MBを確認したら、再度開腹して Side B側に DRAM_C1,C2 2個と パスコン2個を半田付け。 ◆ あとは再組立して4と同様に RAM TEST を行い、"96MB OK"を確認し て完成。 ◆ RAM TEST に掛かる時間は倍速で60分です。 |
![]() |
7.128MB化 ◆ 96MBを確認したら、再度開腹して Side B側に DRAM_D1,D2 2個と パスコン2個を半田付け。 また配線板の RAS1 をホーネット CPUの 125Pin に配線。 ◆ DRAM とキーボード裏の丸ポッチ7個と、キーボードフレキ止めのベ ロが干渉するので彫刻刀等で削り取る。(左図赤枠) ◆ あとは再組立して4と同様に RAM TEST を行い、"<8MB OK"を確認し て完成。 ◆ RAM TEST に掛かる時間は倍速で80分です。 |
![]() |
8.増設ドライバの組込み ◆ ハードの 32MB 以上を認識させるにはドライバー(RDT2T.EXE)が必 要です。 CONFIG.SYS に一行追加し、再起動させればCドライブ 32MB、Fドラ イブ 96MBとして増設されます。 日本語化の JKIT や FEP はCドライブ、或いはFドライブに入れて使 えます。 ◆ 左の画像は 96MB 化の、リセット後の立ち上がり途中の画面です。 (TREMM を使っていますが JKIT の LXEMM がそのまま使えます) |
![]() |
<参考1> 旧 200LX 2MB版の場合の配線画像 旧 200LX マザー基板上の既存 DRAM 2個を取り外し、配線板の RAS0、 RAS1 と除去した DRAM 跡地の |RAS0、1 (14Pin) を配線する。 黄リード線が|RAS0、赤リード線が|RAS1 です。 |
![]() |
<参考2> 100LX 2MB版の場合の配線画像 100LX ではバージョンが多彩で、タンタルコンデンサの移動が必要の場合 や、既存 DRAM の取り付け方向が180°違ったりする場合がありますので 、取り外す前に確認してください。 また私は古い rdt2t.exe(Ver1.0) を使いました。 |
【注意】
1.この増設基板を使うには、マザー基板上に 36Pin
ソケット付き、またはソケットを追加できるソケットランドがあることが前提です。
2.マザー基板上の既存 DRAM を取り外す必要があります。
3.マザー基板上の既存 36Pin ソケットの位置のズレ具合によっては、増設基板が干渉して素直に納まらない場合があるかもしれません。
その場合は鏝で部品位置をズラスか、 配線板をヤスリで削る必要があるかもしれません。
4.増設改造にあたっては、安易に行うと LX を壊すことにもなりかねないので、自己責任の元、十分留意して行ってください。
【作業留意点】
1.テスターは無くてもルーペは必須と思います。
2.半田鏝は鏝先が 1mmΦの物をお勧めします。勿論使い慣れた鏝と腕でカバーできる方は別です。
3.静電気を生じやすい環境(セーターや床がジュータン等)での作業は避けたほうが良いです。
4.DRAM をペアA〜Dまで順番に必要とする容量分を乗せてください。(ペアAとペアCで
64MB などの組合せでは正しく容量を認識しません)
5.配線板や部品の予備半田は特に必要ありません。
6.配線板への部品の半田付けは、無洗浄フラックスを配線板ランドと部品の足に付けて、四隅から先に半田付けした方がやり易いです。
7.最大容量の 128MB 化する場合でも、 中間過程の
32,64,96MB の確認 (RAM TEST)をした方が、動作不良の時に切り分けができます。
急がば廻れです。
8.128MB 化する場合は、キーボード裏の凸を7つ削る必要があります。
64MB までなら不要です。
9.「急いては事を仕損ずる」で、充分時間のある時にジックリ取り組んでください。
【人柱配布】
人柱でも構わないので作って実装してみたい。
と云う方には DRAM を除いた必要部品と配線板を1セット、送料込みの人柱価格
\2,000円で
配布致します。 我こそは、と思う方は郵送先をメールくだされば普通郵便でお送り致します。
DRAM は通販サイトで EDO SODIMM 128MB バルク基板が
\13,000〜\15,000円程度で入手できます。DRAM
を剥がす手間はありますが確実
な入手法だと思います。
本改造により、LX が起動不能に陥っても責任は負いかねます。ですが出来るだけの対応は可能ですので、遠慮無くメールください。
【完成基板】
ご希望であれば DRAM チップを乗せた完成基板(動作確認済み)をお譲りできます。定型外郵便(送料込み)で送付いたします。
1) 32MB基板 \ 8,500-
2) 64MB基板 \11,500-
3) 96MB基板 \14,500-
4)128MB基板 \18,000-
また LX 本体を送っていただければ、プラス
\2,000- で組込み代行もいたします。(送料はご負担ください)
マザー基板に付いていたドータ基板等は基本的に返却いたします。
詳細についてはメールでお問い合わせください。
人柱配布、および完成基板の配布は終了しました。ありがとうございました。(2006/01/22)
尚、本基板を使ったご質問等は受け付けておりますので、メールでお知らせください。
=================================================================================
![]()